87+ Konsep Rangkaian Lampu Led Philips, Rangkaian Lampu

Poin pembahasan 87+ Konsep Rangkaian Lampu Led Philips, Rangkaian Lampu adalah : skema lampu led philips 23 watt, skema lampu led philips 10 watt, komponen lampu led philips, rangkaian lampu tl led philips, rangkaian lampu led 3 volt, bedah lampu led philips, jenis led…

40+ Skema Power Amplifier Mosfet Sederhana

Poin pembahasan 40+ Skema Power Amplifier Mosfet Sederhana adalah : ampli mosfet simple, cara memasang mosfet power amplifier, kelebihan power amplifier mosfet, skema driver mosfet, pcb power amplifier mosfet, transistor mosfet untuk power amplifier, skema driver final…

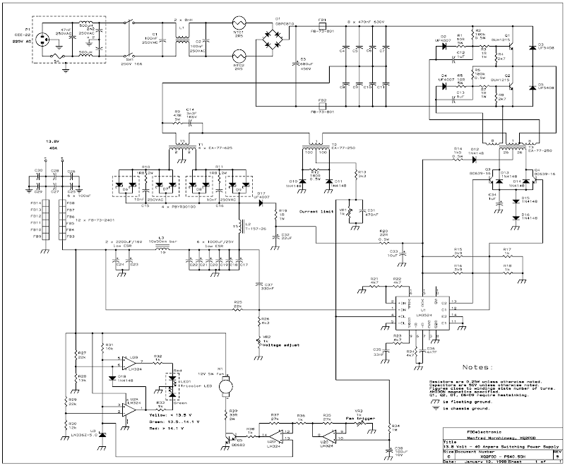
Ide 77+ Skema Power Supply 20 Ampere

Poin pembahasan Ide 77+ Skema Power Supply 20 Ampere adalah : skema power supply bell 30 ampere, ic regulator 10 ampere, skema power supply switching 20a, skema regulator 12 volt, kit power supply 10 ampere, skema switching power supply 12v 10a, skema power supply 13 8…

92+ Konsep Gambar Rangkaian Lampu Rem Sepeda Motor, Rangkaian Lampu

Poin pembahasan 92+ Konsep Gambar Rangkaian Lampu Rem Sepeda Motor, Rangkaian Lampu adalah : gambar rangkaian lampu rem motor, cara kerja lampu rem sepeda motor, komponen lampu rem, komponen-komponen lampu rem antara lain, komponen-komponen lampu rem antara lain kecual…